Model Number
-
1
MSD2735GRB
-
2
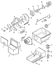
Choose the diagram of the component your part is located in:
-
3
Loading parts of sections