Model Number
-
1
CPLES399ECA
-
2
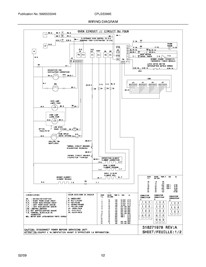
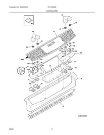
Choose the diagram of the component your part is located in:
-
3
Loading parts of sections