Model Number
-
1
NT18JXH (BOM: 9D05B)
-
2
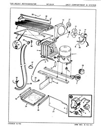
Choose the diagram of the component your part is located in:
-
3
Loading parts of sections